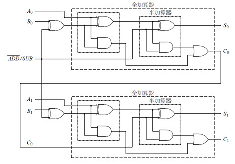
下記の2ビットの加減算回路の真理値表を完成させなさい。 入力A(A 1 A 0),B(B1 B0)とし,A +B の加算時は
ADD / SUB を0、 A -B の減算時はADD / SUBを1とする。
(キーポイント) 論理ゲートからの結果と計算結果が一致することを確認する。 CoはLSBの桁上げです。
(参照) テキスト 1-36,37
入門 Index
クイズ Iidex
Skillplants
ホーム
クイズ
管理
解答例
株式会社 ハートエレクトロニクス